префаке
вторник, 7 августа 2012 г.
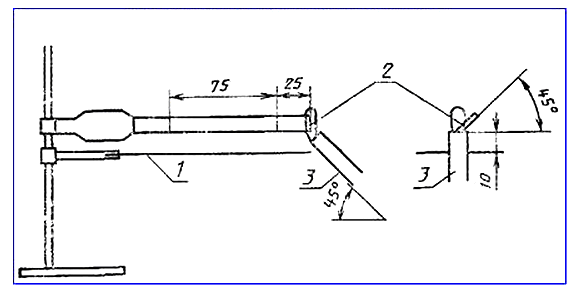
скорость воздуха в лабораторном вытяжном шкафу
Комментариев нет:
Отправить комментарий
Следующее
Предыдущее
Главная страница
Подписаться на:
Комментарии к сообщению (Atom)
Комментариев нет:
Отправить комментарий